يک موتور القايي زماني که مستقيماً به شبکه وصل گردد، جرياني معادل پنج تا شش برابر جريان نامي خود از شبکه میکشد. از اين جریان زیاد که به جريان راه اندازي موسوم است بويژه در موتورهاي قدرت متوسط و بالا، مورد قبول نيست. چون علاوه بر صدمه رسيدن به موتور، به شبکه و ساير مصرف کننده هايي که از آن شبکه تغذیه می شوند نيز، صدماتي وارد کرده و موجب اختلال در کار آنها مي شود. به همين جهت برای جلوگيري از اين آسيبها، موتورهاي القايي را به روش هاي مختلف راه انداز مي کنند که به ترتيب عبارتند از :
• راه اندازي بطور مستقيم
• راه اندازي به روش ستاره - مثلث
• راه اندازي توسط اتو ترانسفورماتور
• راه اندازي به روش اضافه کردن مقاومت در سیم پیچ استاتور
• راه اندازي به روش اضافه کردن مقاومت در سیم پیچ (رتور مخصوص موتورهاي القايي سیم پیچ)
راه اندازي و تغيير جهت موتورها با استفاده از کليدهاي ساده:
در اين قسمت روش استفاده عملي از کليد هاي ساده سه فاز با رسم شکل مورد بحث قرار مي گيرد:
راه اندازي موتور با اتصال مستقيم:
مصرف کننده هاي سه فاز و موتورهاي با قدرت کم را مي توان بطور مستقيم به شبکه وصل نمود. در راه اندازي بطور مستقيم از انواع کليدهاي ساده از قبيل چاقويي، سلکتوري و غلطکي استفاده مي شود. معمولاً اينگونه کليدها ۶ کنتاکت دارند که ۳ کنتاکت ورودي با حرفهايT ,S ,R و ۳ کنتاکت خروجي يعني محل اتصال به مصرف کننده با حروف W ,V ,U مشخص و داراي دو حالت يعني حالت قطع و حالت وصل مي باشند که در نقشه هاي الکتريکي با علامتهاي (O)براي قطع و (I) براي وصل نشان داده مي شوند.
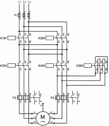
راه اندازي موتور با استفاده از کليد ستاره – مثلث:
همانطور که گفته شد موتورهاي قدرت پايين (کمتر از ۴کيلو وات، در شبکه ۳۸۰ ولتي) را مي توان بطور مستقيم به شبکه وصل کرد. اما موتورهاي با قدرت بالاتر را به علت جريان راه اندازي نسبتا زياد آنها که در حدود ۴ تا ۶ برابر جريان نامي موتور است، نبايد مستقيما به شبکه وصل کرد. روشهاي مختلفي براي راه اندازي اين موتورها وجود دارد که ساده ترين آنها راه اندازي به روش ستاره مثلث است که هم با کليدهاي ساده (دستي) و هم مرکب (اتوماتيک) قابل اجراء مي باشد. کليدهاي ستاره مثلث ساده معمولاً بصورت غلطکي و سلکتوري ساخته مي شوند. اين کليدها ابتدا سيم پيچهاي موتور را بصورت ستاره به شبکه وصل مي کند و پس از آنکه موتور به سرعت نرمال خود رسيد، با تغيير حالت کليد، سيم پيچهاي موتور را به حالت مثلث در شبکه قرار مي دهد. بنابراين اين نوع کليد داراي سه حالت قطع، ستاره و مثلث مي باشد. تعداد کنتاکتها در کليد ستاره مثلث، ۹ عدد مي باشد. کنتاکتهايT ,S ,R محل اتصال به شبکه، کنتاکتهاي V ,W ,U محل اتصال به ابتداي کلافهاي سيم پيچي و کنتاکتهايZ ,Y ,X محل اتصال انتهاي کلافهاي سيم پيچ موتور يعني ترمينال روي موتور است. ذکر اين نکته حائز اهميت است که هر موتور سه فازي را نمي توان با اتصال مثلث راه اندازي کرد، کليد ستاره مثلث براي موتورهايي بکار مي رود که سيم پيچ هر فازش براي ولتاژ خط شبکه حساب شده باشد. در شبکه برق ايران در صورتي يک موتور مي تواند مثلث کار کند که روي پلاکش 380V ∆ یا 660V / 380 Y ∆ / نوشته شده باشد. ضمنا اگر سيم پيچ موتور، مثلث و قدرت آن از 2.2 کيلو وات تا ۴ کيلو وات باشد، مي توان آن را مستقيما و بدون استفاده از کليد ستاره مثلث به شبکه وصل نمود. معمولا موتورهاي ۴ کيلو وات تا ۱۱ کيلو وات را با استفاده از روش ستاره - مثلث راه اندازي مي کنند. البته در شبکه ۳۸۰ ولتي موتورهاي با قدرت بالاتر را با استفاده از روش اضافه نمودن مقاومت در سيم پيچ استاتور و يا سيم پيچ رتور )در موتورهاي القايي با رتور سيم پيچي شده) راه اندازي مي کنند.
تغيير جهت الکترو موتور سه فازه:
در بسياري از موارد صنعتي مانند ماشين تراش، نقاله، جرثقيل و ماشين صفحه تراش، لازم است جهت گردش موتور تغيير نمايد. در بعضي از ماشينها مانند ماشين صفحه تراش، براي تغيير جهت از مبدل مکانيکي مانند چرخ دنده استفاده مي شود. يعني موتور فقط در يک جهت مي چرخد و عمل تغيير جهت بصورت مکانيکي انجام مي شود. ولي در اغلب ماشين هاي صنعتي بهتر است موتور تغيير جهت بدهد. در موتورهاي القايي براي تغيير جهت گردش بايد جهت گردش ميدان دوار را تغيير داد. اين عمل يعني عمل چپ گرد-راست گرد، بسادگي با عوض کردن جاي دو فاز در ورودي موتور انجام مي گيرد. مثلاً اگر فاز (R) در هر دو حالت ثابت فرض شود (R هميشه به Uوصل مي شود) بايد جاي دو فاز (S)و (T) عوض نمود. کليد چپ گرد-راست گرد معمولاً بصورت سلکتوري و غلطکي و داراي سه حالت، قطع در وسط و چپ گرد و راست گرد در طرفين ساخته مي شود. هر کليد چپ گرد-راست گرد داراي ۶ محل اتصال است که با حروف R ,S ,T وU ,V ,W مشخص مي شود که محل ورود و خروج جريان را تعيين مي کند. عمل چپ گرد و راست گرد با تغيير اهرم کليد در داخل و عوض کردن جاي دو فاز انجام مي گيرد.
